Accessible bathroom corridor showing compliant design features

Purpose-built. Community-driven.

Nkidi Manufacturing Accessibility Solutions was founded on the belief that dignity in sanitation is a right not a privilege.

Thandi Nkidi, founder of Nkidi Manufacturing Accessibility Solutions

Thandi Nkidi — Founder & Director

Born from lived experience

In 2021, following the birth of her child, Thandi Nkidi was diagnosed with Guillain-Barré Syndrome a rare neurological condition that left her dependent on a wheelchair for twelve months. During that period, she confronted first-hand the inaccessibility of everyday spaces that most people take for granted.

"It was in that situation that I felt a great urge to assist those who are permanently bound to a wheelchair to give them the dignity they deserve."

That personal experience became the foundation of Nkidi Manufacturing Accessibility Solutions, a business built not from opportunity alone, but from a deep understanding of what it means to live with limited access to safe, dignified sanitation.

Since 2021, Thandi has grown the company into a credible, compliance-focused enterprise serving municipalities, educational institutions, clinics, and private clients across South Africa. Every project is guided by the same principle that started it all: every person deserves access.

Mission & Vision

Why we exist

To deliver safe, dignified, and compliant accessible toilet solutions that improve the lives of people with disabilities and mobility challenges through affordable, practical interventions grounded in compliance and human dignity.

Where we are going

To become the most trusted provider of accessible sanitation and disability-support infrastructure across South Africa a company known for integrity, compliance, and genuine impact in the lives of persons with disabilities.

Compliance is not optional. It is our starting point.

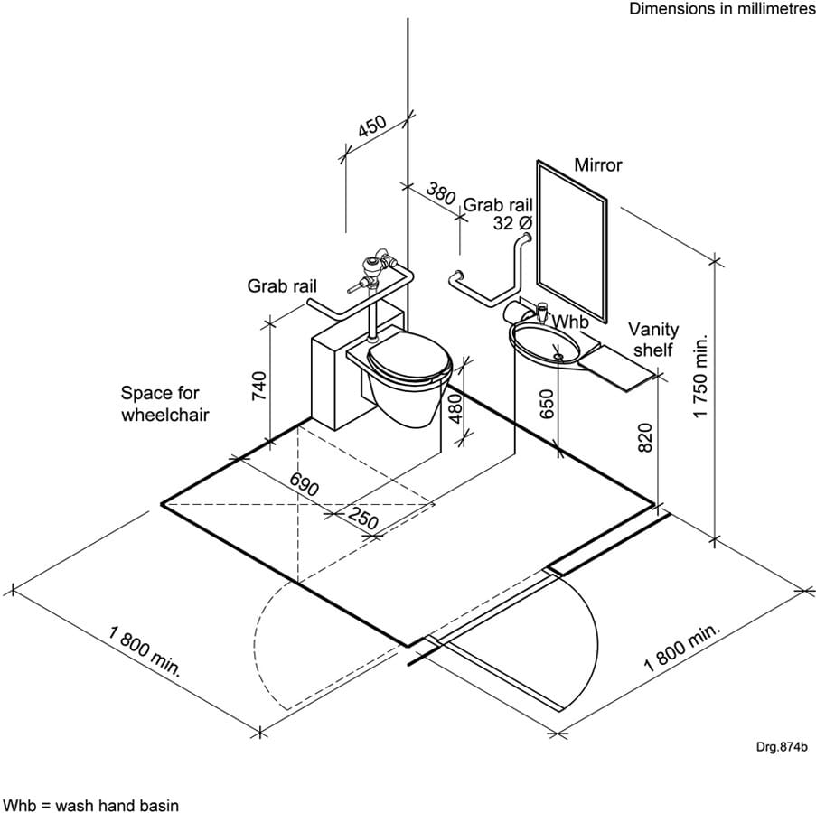
Every Thandi IDS project begins with a thorough understanding of SANS 10400 Part S — the National Building Regulations standard for accessibility. This standard informs door widths, turning circles, grab rail positioning, fixture heights, and spatial clearances.

We do not treat compliance as a checklist. We treat it as a foundation on which truly dignified, functional environments are built. Our advisory services ensure that clients understand both the regulatory requirements and the practical implications for their users.

View Our Compliance Services
Technical drawings and planning documents for accessible toilet layout design

SANS 10400 Part S — our design standard

Our Approach

From first contact to final installation, our process is structured around accuracy, compliance, and the real needs of end users.

01

Assessment & Audit

We begin every engagement with a thorough on-site inspection measuring existing facilities, identifying compliance gaps, and documenting barriers for wheelchair users and persons with mobility challenges.

02

Planning & Design

Our team produces a detailed accessibility plan that accounts for spatial requirements, fixture positioning, grab rail placement, and maneuverability clearances all in accordance with SANS 10400 Part S.

03

Supply & Installation

We supply and install all fixtures, grab rails, support bars, and fittings to specification with minimal disruption to the facility and a focus on durable, long-term performance.

04

Compliance Verification

On completion, we verify that all work meets the required standards and provide the client with written documentation of the accessibility improvements and remaining recommendations.

05

Advisory Support

We remain available to advise on future upgrades, phased compliance programmes, and design decisions as facilities evolve ensuring that accessibility is maintained over time.

06

Client Education

We ensure that facility managers and maintenance teams understand the purpose and correct use of all installed features because compliance is only effective when it is maintained.

Let us assess your facility for accessibility compliance.

Contact Thandi Nkidi directly for a consultation and professional site assessment.

Get in Touch